Kædeføring GR1-GC, DIN8187, A4 Grøn

Vi ser frem til at modtage en forespørgsel
på kædeføring fra dig, udfyld blot nedenstående.

TYPER

Typer kædeføring GR1-GC

 

Kategori:

Yderligere information

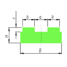
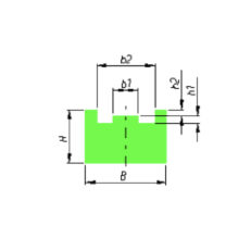
Dimensioner

"B" "H" "b" "c"

Størrelse